


304不锈钢十字槽盘头带平弹垫组合螺钉Q/DM-01-2015
规格尺寸:M4-0.7*25
标准号:Q/DM-01-2015
材质:304不锈钢
头型:十字槽盘头
商品详情
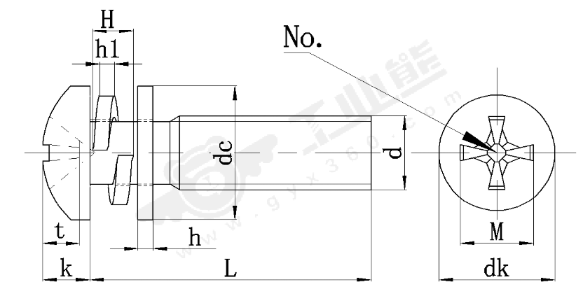
▋ 产品图纸

产品名称:十字槽盘头带平弹垫组合螺钉
▋ 产品参数



产品优势
组合方案
与密封件配合
在需要防水的场景中,搭配O型密封圈使用,确保连接部位的密封性能,防止液体渗漏。
与紧固剂配合
在高振动环境中,使用螺纹紧固剂增强螺钉的防松性能,确保连接稳固,适用于汽车、航空等领域。
与缓冲垫配合
在需要减震的场景中,搭配橡胶缓冲垫使用,吸收冲击和振动,保护连接件,延长设备寿命。
与防锈剂配合
在潮湿环境中,涂抹防锈剂以延长螺钉的使用寿命,防止锈蚀,特别适用于海洋环境。
与绝缘垫配合
在电子设备中,搭配绝缘垫片使用,防止短路和漏电,确保设备安全运行。

失效案例与解决方案
案例一:螺钉松动导致设备故障
某机械设备因振动导致螺钉松动,设备运行异常。通过使用十字槽盘头带平弹垫组合螺钉,其防松设计有效避免了类似问题,确保设备稳定运行。
案例二:螺钉锈蚀影响连接强度
某建筑钢结构因螺钉锈蚀导致连接失效。采用不锈钢材质的Q/DM-01-2015组合螺钉,其耐腐蚀性显著提高了连接的可靠性,避免了锈蚀问题。
应急处理指南
超负荷紧急处理
当螺钉承受超负荷时,立即停止设备运行,检查连接部位是否松动或变形,必要时更换更高强度的螺钉。
松动应急处理
发现螺钉松动时,使用螺纹紧固剂临时固定,并在后续维护中更换新的组合螺钉。
锈蚀应急处理
发现螺钉锈蚀时,使用防锈剂涂抹表面,并在后续维护中更换不锈钢材质的螺钉。
断裂应急处理
螺钉断裂时,使用专业工具取出断头螺钉,并重新安装新的组合螺钉。
密封失效处理
发现密封失效时,检查螺钉连接部位,必要时重新安装并搭配密封件使用。
保存提示
干燥存放:将十字槽盘头带平弹垫组合螺钉存放在干燥通风的环境中,避免潮湿导致生锈。
独立包装:使用原包装存放,防止螺钉表面被划伤或污染,影响性能。
远离腐蚀物质:避免与酸、碱等腐蚀性物质接触,确保螺钉表面光洁无损。
温度控制:存放温度应控制在-20°C至50°C之间,避免极端温度影响材质性能。
定期检查:长期存放时需定期检查螺钉状态,确保无变形、锈蚀或其他损坏。

